公司產品
聯系我們
咨詢熱線:138-5352-8125
座機:0535-6351751
0535-6351755
傳真:0535-6351752
聯系人:孫茂欽
鑄鐵橢圓齒輪
一、概述
LC型橢圓齒輪流量計系直讀累積式液體流量計,LCB型橢圓齒輪流量計,是在LC型流量計的基礎上增加了發訊機構,可與本公司產品 “微機流量控制儀”配套,廣泛用于管道中液體流量(總量)或瞬時流量的測量和自動控制。由于它具有量程范圍大、精度高、性能穩定、能測高溫、高粘度液體、安裝簡易、操作方便等諸多優點,適用于石油開采、煉油、化工、商業、儲油庫等工業部門的流體計量。
二、工作原理
液體流量的計量是測量室內完成的(見圖1)。在測量室內有一對橢圓齒輪,在進口與出口兩端液體壓差作用下,一對橢圓齒輪在轉軸上不停地轉動,測出其轉數即可知道流經儀表液體的總量。
如圖1(a)所示,一對橢圓齒輪A、B把進口與出口分開,在齒輪A與計量室內壁形成一個新月形空間的液體——稱為“一份”(圖上以陰影表示)。齒輪A有一轉動矩,而齒輪B上總力矩等于零。齒輪A帶動齒輪B轉動。圖1(b)是兩輪的中間位置,當移動到位置如圖1(c)所示時,齒輪A失去了轉動力矩,而齒輪B獲得了轉動力矩,齒輪B帶動齒輪A轉動,如圖1(d)所示。


三、主要技術數據
精度等級:0.2級、0.5級
公稱壓力:1.6MPa
連接方式:法蘭
液體粘度:0.6-250mpa.s
介質溫度:-30——160℃
輸出信號:脈沖、4-20mA
四、流量范圍:見下表
0.5級時流量范圍

0.2級時流量范圍

注:選用在腐蝕性介質時最大流量要減少1/3。
五、回零流量計簡介

回零流量計是在LC型流量計上添加了一套可回零的計數器,使用時順時針旋轉③可把回零計數器回的零位,撳下②逆時針旋轉可把指針回到零位,使用回零計數器不影響累積計數器計量。
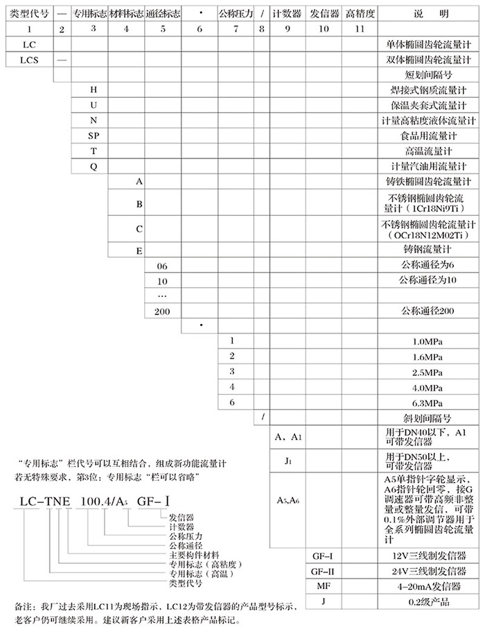
六、橢圓齒輪流量計選型規格書

七、橢圓齒輪流量計型號及功能選擇

上一篇:不銹鋼橢圓齒輪
下一篇:沒有了
下一篇:沒有了





掃一掃,關注我們